Плата сенсорных кнопок на моник самсунг BX2250 ни у кого не завалялась?
19 Декабря 2025, 19:37:26 *
Добро пожаловать, Гость. Пожалуйста, войдите или зарегистрируйтесь.
Вам не пришло письмо с кодом активации?

Войти
Новости: Оплата хостинга 2025, требуется помощь форумчан
   Начало   Главная Поиск Правила Камасутра Блоги Чат Галерея Политика конфиденциальности Войти Регистрация  
Страниц: [1]   Вниз
  Печать  
Автор Тема: Плата сенсорных кнопок на моник самсунг BX2250 ни у кого не завалялась?  (Прочитано 2909 раз)
0 Пользователей и 1 Гость смотрят эту тему.
Кувалдыч ТС

*******

Карма +1691/-43
Offline Offline

Пол: Мужской
Сообщений: 40862

Путинград, Колпино


!"№;%:?*!!!

WWW

Питер
ИЖ 2126-060 4x4 * ИЖ 2126-030
« : 05 Декабря 2016, 20:05:23 »

Точнее, судя по сервис мануалу:

BN96-15338B
ASSY BOARD P-TOUCH FUNCTION;BX50,CT5000

Уронили, моник ударился углом как раз где сенсорные кнопки, раскололась рамка, собрали, но кнопки не пашут.

Или может кто подскажет номиналы резюков для механических кнопок, я так понял из поисков, что там как в резистивной клаве уровнями напряжения идентифицируются кнопки, в двух группах key1 и key2? Или как подобрать требуемые номиналы?

Ну и заодно мож кто точно подскажет размеры штекера питалова.
Записан

БЖ «Боевой Колобок» - маленькая, круглая, милая, своя.

БЖ "Шайтан-арба 2.0i будет 4х4" * БЖ "Заводной черепашки" * БЖ «HedgeHogHammer/ХЗ» - ЁЖИК №1 В САНКТ-ПЕТЕРБУРГЕ!


Лошадь сказала, взглянув на верблюда: "Какая гигантская лошадь-ублюдок".
Верблюд же вскричал: "Да лошадь разве ты?! Ты просто-напросто - верблюд недоразвитый".
И знал лишь бог седобородый, что это - животные разной породы.
 
В.Маяковский
Кувалдыч ТС

*******

Карма +1691/-43
Offline Offline

Пол: Мужской
Сообщений: 40862

Путинград, Колпино


!"№;%:?*!!!

WWW

Питер
ИЖ 2126-060 4x4 * ИЖ 2126-030
« Ответ #1 : 05 Декабря 2016, 20:13:12 »

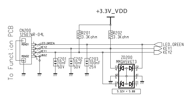
Такая фигня примерно:

Записан

БЖ «Боевой Колобок» - маленькая, круглая, милая, своя.

БЖ "Шайтан-арба 2.0i будет 4х4" * БЖ "Заводной черепашки" * БЖ «HedgeHogHammer/ХЗ» - ЁЖИК №1 В САНКТ-ПЕТЕРБУРГЕ!


Лошадь сказала, взглянув на верблюда: "Какая гигантская лошадь-ублюдок".
Верблюд же вскричал: "Да лошадь разве ты?! Ты просто-напросто - верблюд недоразвитый".
И знал лишь бог седобородый, что это - животные разной породы.
 
В.Маяковский
Кувалдыч ТС

*******

Карма +1691/-43
Offline Offline

Пол: Мужской
Сообщений: 40862

Путинград, Колпино


!"№;%:?*!!!

WWW

Питер
ИЖ 2126-060 4x4 * ИЖ 2126-030
« Ответ #2 : 05 Декабря 2016, 20:23:10 »

Какова вероятность того, что самсунь в коде прошивки пользует один и тот же прогамный интерфейс к клавам?

Вот к примеру чел разрисовал схему клавы 931С LS19MEPSFV:

Цитировать
У самсунга все четырёхпроводные "кнопки" подключаются к такой схеме, как вы показали - даже если процессоры разные.




Цитировать
Распиновка там стандартная для мониторов того времени:
1. LED
2. KEY1
3. KEY2
4. GND

Вот отсюда с обсуждения стырил: http://monitor.espec.ws/section33/topic214951.html

Вот там же ответная часть на не моем монике:



Записан

БЖ «Боевой Колобок» - маленькая, круглая, милая, своя.

БЖ "Шайтан-арба 2.0i будет 4х4" * БЖ "Заводной черепашки" * БЖ «HedgeHogHammer/ХЗ» - ЁЖИК №1 В САНКТ-ПЕТЕРБУРГЕ!


Лошадь сказала, взглянув на верблюда: "Какая гигантская лошадь-ублюдок".
Верблюд же вскричал: "Да лошадь разве ты?! Ты просто-напросто - верблюд недоразвитый".
И знал лишь бог седобородый, что это - животные разной породы.
 
В.Маяковский
Кувалдыч ТС

*******

Карма +1691/-43
Offline Offline

Пол: Мужской
Сообщений: 40862

Путинград, Колпино


!"№;%:?*!!!

WWW

Питер
ИЖ 2126-060 4x4 * ИЖ 2126-030
« Ответ #3 : 05 Декабря 2016, 20:29:14 »

У меня 5 проводов.
Я так думаю что все аналогично, а 5й прорвод это питание микроконтр тача. А по интерфейсу с мамкой все тоже самое, просто микроконтроллер обрабатыает тач и эмулирует резисторные кнопки?

1v8 что такое? Оппечатка? 1к8 имелось в виду? Каждый  или и вместе? Smile
Записан

БЖ «Боевой Колобок» - маленькая, круглая, милая, своя.

БЖ "Шайтан-арба 2.0i будет 4х4" * БЖ "Заводной черепашки" * БЖ «HedgeHogHammer/ХЗ» - ЁЖИК №1 В САНКТ-ПЕТЕРБУРГЕ!


Лошадь сказала, взглянув на верблюда: "Какая гигантская лошадь-ублюдок".
Верблюд же вскричал: "Да лошадь разве ты?! Ты просто-напросто - верблюд недоразвитый".
И знал лишь бог седобородый, что это - животные разной породы.
 
В.Маяковский
B.Mike
Администратор

*****

Карма +1234/-14
Offline Offline

Пол: Мужской
Сообщений: 14432

Санкт-Петербург


WWW
Chery Amulet
« Ответ #4 : 06 Декабря 2016, 18:11:54 »

1v8 что такое? Оппечатка? 1к8 имелось в виду? Каждый  или и вместе? Smile
1V8 - питание 1.8 вольта.
Резюки подтяжки тамм по 3.3кОм, которые замыкаются на землю либо напрямую (формируется 0 вольт), либо через 1.5кОм (формируется 0.56В), либо через 1.5+2.7 =4.2кОм (1.0В)
Можно собрать цепочку из кнопки и подстроечного резистора килоом на 10 и поиграться... Wink
Записан

Говорю что думаю, но думаю что говорю. Wink Во всяком случае стараюсь. ree
моя галерея      
Кувалдыч ТС

*******

Карма +1691/-43
Offline Offline

Пол: Мужской
Сообщений: 40862

Путинград, Колпино


!"№;%:?*!!!

WWW

Питер
ИЖ 2126-060 4x4 * ИЖ 2126-030
« Ответ #5 : 06 Декабря 2016, 18:17:09 »

и поиграться... Wink
ага... и доиграться Smile
Записан

БЖ «Боевой Колобок» - маленькая, круглая, милая, своя.

БЖ "Шайтан-арба 2.0i будет 4х4" * БЖ "Заводной черепашки" * БЖ «HedgeHogHammer/ХЗ» - ЁЖИК №1 В САНКТ-ПЕТЕРБУРГЕ!


Лошадь сказала, взглянув на верблюда: "Какая гигантская лошадь-ублюдок".
Верблюд же вскричал: "Да лошадь разве ты?! Ты просто-напросто - верблюд недоразвитый".
И знал лишь бог седобородый, что это - животные разной породы.
 
В.Маяковский
B.Mike
Администратор

*****

Карма +1234/-14
Offline Offline

Пол: Мужской
Сообщений: 14432

Санкт-Петербург


WWW
Chery Amulet
« Ответ #6 : 06 Декабря 2016, 18:49:43 »

Да, можно случайно найти кнопку самоуничтожения Smile
Записан

Говорю что думаю, но думаю что говорю. Wink Во всяком случае стараюсь. ree
моя галерея      
Кувалдыч ТС

*******

Карма +1691/-43
Offline Offline

Пол: Мужской
Сообщений: 40862

Путинград, Колпино


!"№;%:?*!!!

WWW

Питер
ИЖ 2126-060 4x4 * ИЖ 2126-030
« Ответ #7 : 06 Декабря 2016, 19:14:47 »

1V8 - питание 1.8 вольта.
в каком-то оно странном месте нарисовано....

Мне главное кнопка Power и Source. Чтобы можно было включить и выбрать вход (в монике два dvi и один vga).

В меню у моников обычно делать нефиг, но мало ли... и кнопка auto бывает полезна.

Надо попробовать в макросъемке сфоткать коцанную плату... мож что по ней сказать можно будет да и повреждения разглядеть...
Записан

БЖ «Боевой Колобок» - маленькая, круглая, милая, своя.

БЖ "Шайтан-арба 2.0i будет 4х4" * БЖ "Заводной черепашки" * БЖ «HedgeHogHammer/ХЗ» - ЁЖИК №1 В САНКТ-ПЕТЕРБУРГЕ!


Лошадь сказала, взглянув на верблюда: "Какая гигантская лошадь-ублюдок".
Верблюд же вскричал: "Да лошадь разве ты?! Ты просто-напросто - верблюд недоразвитый".
И знал лишь бог седобородый, что это - животные разной породы.
 
В.Маяковский
B.Mike
Администратор

*****

Карма +1234/-14
Offline Offline

Пол: Мужской
Сообщений: 14432

Санкт-Петербург


WWW
Chery Amulet
« Ответ #8 : 07 Декабря 2016, 04:28:30 »

Чтобы можно было включить и выбрать вход
А оно само не включаеццо при ффтыкании в ризетко?!
А оно само вход не выбирает по факту наличия сигнала?!

да и повреждения разглядеть...
Если микруху не разломал - скорее всего даже починить можно
Записан

Говорю что думаю, но думаю что говорю. Wink Во всяком случае стараюсь. ree
моя галерея      
Кувалдыч ТС

*******

Карма +1691/-43
Offline Offline

Пол: Мужской
Сообщений: 40862

Путинград, Колпино


!"№;%:?*!!!

WWW

Питер
ИЖ 2126-060 4x4 * ИЖ 2126-030
« Ответ #9 : 07 Декабря 2016, 14:06:54 »

А оно само не включаеццо при ффтыкании в ризетко?!
Неа...
А оно само вход не выбирает по факту наличия сигнала?!
А если сигнала два или три? Smile И надо переключацца? Smile
скорее всего даже починить можно
там один умелец уже пробовал паять.... вроде дело гдето в разъеме или около того.
Но мне без сенсоров было бы удобнее, рамка моника тоже треснула, подставку потеряли, я хотел этот моник в один девайс встроить, а кнопки вынести. С другой стороны... сенсорные вынести наверно даже проще... ен надо кнопки покупать, просто заклепочки прикрутить на корпус и проводочками к плате на место дорожек-сенсоров припаять. Наверно...
« Последнее редактирование: 07 Декабря 2016, 14:08:28 от Кувалдыч » Записан

БЖ «Боевой Колобок» - маленькая, круглая, милая, своя.

БЖ "Шайтан-арба 2.0i будет 4х4" * БЖ "Заводной черепашки" * БЖ «HedgeHogHammer/ХЗ» - ЁЖИК №1 В САНКТ-ПЕТЕРБУРГЕ!


Лошадь сказала, взглянув на верблюда: "Какая гигантская лошадь-ублюдок".
Верблюд же вскричал: "Да лошадь разве ты?! Ты просто-напросто - верблюд недоразвитый".
И знал лишь бог седобородый, что это - животные разной породы.
 
В.Маяковский
Кувалдыч ТС

*******

Карма +1691/-43
Offline Offline

Пол: Мужской
Сообщений: 40862

Путинград, Колпино


!"№;%:?*!!!

WWW

Питер
ИЖ 2126-060 4x4 * ИЖ 2126-030
« Ответ #10 : 07 Января 2017, 15:32:06 »

Зелез опять в моник.
Плата приклеена на двусторонний скотч к рамке моника. Отклеил, долго разглядывал в "мелкоскоп".
Админы туда уже лазили паяльником. В разъхем. Заодно спалили кондюк рядом с ним, выидимо фильтр от шмов по питанию судя по всему, так как между плюсом и землей стоит. Площадки припаячные под разъемом убиты, часть отсуствует ваще. Разъем поплавлен паяльником.


В общем удалил разъем, счистил перегретый кондер, сошлифовал скальпелем краску чтобы увидеть как дорожки проложены. Все жутко мелкое....

Плата точно такая как тут писал, но номера не сверял.
Такая фигня примерно:

Рядом с разъемом присуствуют тестовые площадки разводки. Между ними им разъемом только описаный выше кондюк и черная фиговина с надписью L1, видимо дроссель, тоже по питанию стоит.

Дорожка на светодиод включения вроде тоже повреждена.

В принципе думаю если подпаяться шлейфом к тестовым площадкам, то должно заработать.
Но там все тааакое мелкое... что это я вряд ли осилю...
Записан

БЖ «Боевой Колобок» - маленькая, круглая, милая, своя.

БЖ "Шайтан-арба 2.0i будет 4х4" * БЖ "Заводной черепашки" * БЖ «HedgeHogHammer/ХЗ» - ЁЖИК №1 В САНКТ-ПЕТЕРБУРГЕ!


Лошадь сказала, взглянув на верблюда: "Какая гигантская лошадь-ублюдок".
Верблюд же вскричал: "Да лошадь разве ты?! Ты просто-напросто - верблюд недоразвитый".
И знал лишь бог седобородый, что это - животные разной породы.
 
В.Маяковский
Страниц: [1]   Вверх
  Печать  
 
Перейти в:  

Powered by SMF 1.1.21 | SMF © 2006-2009, Simple Machines

Яндекс.Метрика

Google последней посетил эту страницу 24 Августа 2025, 01:07:19
×